zoro 0 Опубликовано: 2012-10-29 21:22:05 Share Опубликовано: 2012-10-29 21:22:05 вы откройте хотя бы одно Специализированное решение внутри стоят обычные релюхи на 250 вольт. Вам же советую нормальные реле... Вот для кондишенов мы применяем... http://www.scat-tech...ys/relay-jqx30f Ссылка на сообщение Поделиться на других сайтах
-кабельщик- 13 Опубликовано: 2012-10-30 05:54:32 Share Опубликовано: 2012-10-30 05:54:32 Вы видимо не поняли что предлагают люди выше. Я объясню. Ууу, как рисовать не хочется. Лучше вы схему рисуйте... А я вам на ней почеркаю, где 380 между контактами. zoro , приведенная вами схема с двумя группами контактов - да, как вариант . Правда , при переключении (как нарисовано), будет меняться ноль и фаза местами, может кому принципиально нельзя ... Я б использовал две группы только для переключения фазы (для увеличения рабочего напряжения контактов), ноль у ТС все равно один и тот же. Ссылка на сообщение Поделиться на других сайтах
-кабельщик- 13 Опубликовано: 2012-10-30 06:02:58 Share Опубликовано: 2012-10-30 06:02:58 вы откройте хотя бы одно Специализированное решение внутри стоят обычные релюхи на 250 вольт. Вам же советую нормальные реле... Дайте мне это Специализированное решение, я его открою и все вам расскажу ))) Ссылка на сообщение Поделиться на других сайтах
rtrt 59 Опубликовано: 2012-10-30 07:12:44 Автор Share Опубликовано: 2012-10-30 07:12:44 нагрузка приличная на каждой из фаз, 25-40А в управление взяли БУАВР.2C два ввода, две нагрузки, два секционных выключателя; Ссылка на сообщение Поделиться на других сайтах
zoro 0 Опубликовано: 2012-10-30 10:34:48 Share Опубликовано: 2012-10-30 10:34:48 вы откройте хотя бы одно Специализированное решение внутри стоят обычные релюхи на 250 вольт. Вам же советую нормальные реле... Дайте мне это Специализированное решение, я его открою и все вам расскажу ))) Любое на дин рейку... я открывал 3 штуки, смотрел устройство... единственное что есть в некоторых это контроль напряжения по фазно... конденсатор- гасящий, резисторы и две TL431 с транзисторами Ссылка на сообщение Поделиться на других сайтах
sanek_z 6 Опубликовано: 2014-01-15 10:13:37 Share Опубликовано: 2014-01-15 10:13:37 Такая картина. Имеем два ввода 220В(две фазы, L1 и L2). На каждой фазе своя нагрузка(R1 и R2 соответственно) Нужно реализовать следующее. При пропадании допустим фазы L1, нагрузка которая на ней есть - R1, должна переключиться на фазу L2, т.е на фазе L2 будет две нагрузки. При появлении L1, нагрузка R1 должна подключаться назад к ней. Так же должно происходить и при пропадании фазы L2. Читал про устройства автоматического ввода резервного питания, но конкретного ничего не нашел. Кто, что может подсказать, посоветовать? Заранее спасибо! 2 барьера + 2 реле = Устройство что ты описал.Если нужно переключатьи землю. то 4 реле Ссылка на сообщение Поделиться на других сайтах
Fanat_non_root 88 Опубликовано: 2014-01-15 13:07:49 Share Опубликовано: 2014-01-15 13:07:49 За переключение земли - нужно бить в голову, очень сильно. Ссылка на сообщение Поделиться на других сайтах
Germidar 10 Опубликовано: 2014-01-15 18:56:56 Share Опубликовано: 2014-01-15 18:56:56 Пока сидел и скучал на работе, заглянул в эту ветку, и вот что в голову пришло: За переключение земли - нужно бить в голову, очень сильно.тут согласен, вешь неадекватная выйдет при смене полярности... Так вот, если есть свободное время, и руки из плечей растут, то можно реализовать такую вот схемку: Нашёл у себя дома такие вот релюхи, Раньше они запускали моторы системы вентиляции в бункерах, ну а теперь у меня. Если Вам подходит по мощности то можно использовать их (РПУ-1), на радиорынке купить можно как лом, ну или через аукро или сландо (хотел продать но понял что никому не надо да и стоимоть их не велика). Если же не хватает поискать помощнее. Земли вводов L1 L2 не соединять вместе, так как "чудо электрики" могут переключить при каких то там работах и привет салюты Хотел снять работоспособное виедо, для наглядности, да руки не дошли изза домашних забот. Возможно что то упустил, но на симуляции работает отлично, да, и ещё померяйте тестером напряжение между фазами L1 и L2 если 380 то то желательно перед "потребителями" поставить фильтр. Ну а если не будет напряжения, (совпадёт синус) то думаю можно обойтись и без фильтра, но опять же не исключено что позже без Вашего ведома могут перекинуть какой-то из вводов на другую фазу. Удачи. Ссылка на сообщение Поделиться на других сайтах
rtrt 59 Опубликовано: 2014-01-15 19:39:02 Автор Share Опубликовано: 2014-01-15 19:39:02 (изменено) Это все хорошо, но у каждого реле есть время срабатывания + к этому могут быть кратковременные скачки напряжения, что может послужить к плачевным последствиям. Обращались ко многим фирмам, так решения и не нашли. Нужно еще что-то типа реле времени, чтобы после пропадания одной из фаз, была выдержка, 1-5 минут(пример) Изменено 2014-01-15 19:46:10 пользователем rtrt Ссылка на сообщение Поделиться на других сайтах
Germidar 10 Опубликовано: 2014-01-15 19:48:46 Share Опубликовано: 2014-01-15 19:48:46 Есть такая штука как РНПП-**** Так вот есть её аналоги для одной фазы, если поставить её в разрыв катушки реле первого и второго ввода, то на счёт скачков напряжения можно не бояться, так как там есть задежка включения после срабатывания. Кратко о РНПП Ссылка на сообщение Поделиться на других сайтах
sergknt 0 Опубликовано: 2014-01-15 19:48:55 Share Опубликовано: 2014-01-15 19:48:55 Это все хорошо, но у каждого реле есть время срабатывания + к этому могут быть кратковременные скачки напряжения, что может послужить к плачевным последствиям. Обращались ко многим фирмам, так решения и не нашли. Нужно еще что-то типа реле времени, чтобы после пропадания одной из фаз, была выдержка, 1-5 минут(пример) А вот такая вещь не пойдет ? Электронный переключатель фаз ПЭФ-301если нет то можно по другому сделать. Реле отличное сам использовал в АВР, если мало 16А то можно пускатели задействовать. Ссылка на сообщение Поделиться на других сайтах
rtrt 59 Опубликовано: 2014-01-15 19:52:06 Автор Share Опубликовано: 2014-01-15 19:52:06 Это все хорошо, но у каждого реле есть время срабатывания + к этому могут быть кратковременные скачки напряжения, что может послужить к плачевным последствиям. Обращались ко многим фирмам, так решения и не нашли. Нужно еще что-то типа реле времени, чтобы после пропадания одной из фаз, была выдержка, 1-5 минут(пример) А вот такая вещь не пойдет ? http://novatek-electro.com/elektronnyy_pereklyuchatel_faz_pef-301.html если нет то можно по другому сделать. Реле отличное сам использовал в АВР, если мало 16А то можно пускатели задействовать. Нет, т.к. работает от трехфазной четырехпроводной сети, а у нас 2 разные фазы(2 разные подстанции) Ссылка на сообщение Поделиться на других сайтах
Fanat_non_root 88 Опубликовано: 2014-01-15 19:55:58 Share Опубликовано: 2014-01-15 19:55:58 У вас две фазы от двух подстанций? Похоже на бред. Я знаю очень мало объектов у которых есть вводы от разных подстанций. Уверены, что там однофазная сеть? Ссылка на сообщение Поделиться на других сайтах
sergknt 0 Опубликовано: 2014-01-15 19:57:12 Share Опубликовано: 2014-01-15 19:57:12 Это все хорошо, но у каждого реле есть время срабатывания + к этому могут быть кратковременные скачки напряжения, что может послужить к плачевным последствиям. Обращались ко многим фирмам, так решения и не нашли. Нужно еще что-то типа реле времени, чтобы после пропадания одной из фаз, была выдержка, 1-5 минут(пример) А вот такая вещь не пойдет ? http://novatek-electro.com/elektronnyy_pereklyuchatel_faz_pef-301.html если нет то можно по другому сделать. Реле отличное сам использовал в АВР, если мало 16А то можно пускатели задействовать. Нет, т.к. работает от трехфазной четырехпроводной сети, а у нас 2 разные фазы(2 разные подстанции) значит на пускателях с задержкой включения. Ссылка на сообщение Поделиться на других сайтах
rtrt 59 Опубликовано: 2014-01-15 19:59:24 Автор Share Опубликовано: 2014-01-15 19:59:24 (изменено) У вас две фазы от двух подстанций? Похоже на бред. Я знаю очень мало объектов у которых есть вводы от разных подстанций. Уверены, что там однофазная сеть? Сеть не однофазная, но к нам заходит одна фаза с одной подстанции и другая фаза с другой подстанции! Поэтому и две разные нагрузки, просто находятся в одном помещении! Изменено 2014-01-15 20:01:07 пользователем rtrt Ссылка на сообщение Поделиться на других сайтах
Germidar 10 Опубликовано: 2014-01-15 20:02:48 Share Опубликовано: 2014-01-15 20:02:48 (изменено) Ну тогда если не жалко денег. Есть прмышленное решение: ЩИТ АВР: http://www.proelectro.info/proposition/detail/12082 Вам надо таких два. На каждую нагрузку. И подать на Два щита АВР по два ввода с L1 и L2. И у них есть что Вам надо: http://www.tesli.com/ru/service/electrical-panel-production/nku/avr/ Изменено 2014-01-15 20:04:28 пользователем Germidar Ссылка на сообщение Поделиться на других сайтах
rtrt 59 Опубликовано: 2014-01-15 20:10:33 Автор Share Опубликовано: 2014-01-15 20:10:33 Опять же, тут резерв. А у нас работаю одновременно 2 разные нагрузки, с разным потреблением, от разных, так сказать, источников. Т.е. имеем 2 помещения. Одно помещение с нагрузкой R1 питается от фазы1, второе помещение с нагрузкой R2 питается от фазы2. В каждой из нагрузок потребление ~по 20А(но может меняться). Ссылка на сообщение Поделиться на других сайтах
sergknt 0 Опубликовано: 2014-01-15 20:17:12 Share Опубликовано: 2014-01-15 20:17:12 Опять же, тут резерв. А у нас работаю одновременно 2 разные нагрузки, с разным потреблением, от разных, так сказать, источников. Т.е. имеем 2 помещения. Одно помещение с нагрузкой R1 питается от фазы1, второе помещение с нагрузкой R2 питается от фазы2. В каждой из нагрузок потребление ~по 20А(но может меняться). ну Вам понадобиться две для двух нагрузок Ссылка на сообщение Поделиться на других сайтах
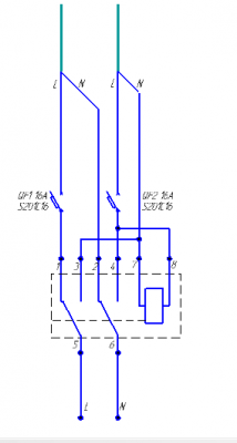
Germidar 10 Опубликовано: 2014-01-15 20:22:21 Share Опубликовано: 2014-01-15 20:22:21 Забудьте про слово "РЕЗЕРВ"!!! Ещё раз всё разрисую!!! Для комнаты 1, Основной питающей сетью будет L1 и питаться он будет именно с 1-го воода. При пропадении 1-го ввода, АВР переключит нагрузку L1 от второго ввода (L2) Так же и для Комнаты 2, Основной питающей сетью будет L2 и питаться она будет именно со второго воода, и опять же при пропадении сети во втором вводе АВР переключит её (комнату 2) на первый ввод! Либо я чегото не понял из вашей просьбы, или Вы что то не так нам толкуете! Ведь то о чём Вы просили выполнено, даже на первой схеме, что я рисовал + дополнения на катушку для задержки на включение. Такая картина. Имеем два ввода 220В(две фазы, L1 и L2). На каждой фазе своя нагрузка(R1 и R2 соответственно) Нужно реализовать следующее. При пропадании допустим фазы L1, нагрузка которая на ней есть - R1, должна переключиться на фазу L2, т.е на фазе L2 будет две нагрузки. При появлении L1, нагрузка R1 должна подключаться назад к ней. Так же должно происходить и при пропадании фазы L2. Читал про устройства автоматического ввода резервного питания, но конкретного ничего не нашел. Кто, что может подсказать, посоветовать? Заранее спасибо! Всё выполнено так как вы просили.... Ссылка на сообщение Поделиться на других сайтах
sanek_z 6 Опубликовано: 2014-01-16 14:17:54 Share Опубликовано: 2014-01-16 14:17:54 (изменено) За переключение земли - нужно бить в голову, очень сильно. Fanat_non_root => Смотря кому !!! Я не стал рисовать схематически так как небыло на это времени. но вот Germidar Очень доходчиво все отрисовал. только в моей схеме я использовал 2 реле с 1 контактом перекидным. вместо 1-го с групой контактов. В этой схеме нужно добавить на каждое реле БАРЬЕР он будит (отключать реле тем самым перекидывать нагрузку на др. фазу, при понижении или привышении напряжения + таймер задержки старта настроить на 1-5 мин.) Я бы сделал вот такую доработку см. рисуноки , ссылка на БАРЬЕР http://www.ani-pcb.com.ua/index.php?id=4680&show=4nalbum&do=showgall&gid=9300 На рис.2 барьер будет защищать еще и от перенапряжения нагрузку. rtrt Барьер это все умеет и стоит очень дешево. отключает нагрузку при понижении или привышении напряжения + таймер задержки старта Изменено 2014-01-16 14:51:48 пользователем sanek_z Ссылка на сообщение Поделиться на других сайтах
sanek_z 6 Опубликовано: 2014-01-16 14:37:35 Share Опубликовано: 2014-01-16 14:37:35 (изменено) Забудьте про слово "РЕЗЕРВ"!!! Ещё раз всё разрисую!!! 48d39be9c2136c814ef1309f.png Для комнаты 1, Основной питающей сетью будет L1 и питаться он будет именно с 1-го воода. При пропадении 1-го ввода, АВР переключит нагрузку L1 от второго ввода (L2) Так же и для Комнаты 2, Основной питающей сетью будет L2 и питаться она будет именно со второго воода, и опять же при пропадении сети во втором вводе АВР переключит её (комнату 2) на первый ввод! Либо я чегото не понял из вашей просьбы, или Вы что то не так нам толкуете! Ведь то о чём Вы просили выполнено, даже на первой схеме, что я рисовал + дополнения на катушку для задержки на включение. Такая картина. Имеем два ввода 220В(две фазы, L1 и L2). На каждой фазе своя нагрузка(R1 и R2 соответственно) Нужно реализовать следующее. При пропадании допустим фазы L1, нагрузка которая на ней есть - R1, должна переключиться на фазу L2, т.е на фазе L2 будет две нагрузки. При появлении L1, нагрузка R1 должна подключаться назад к ней. Так же должно происходить и при пропадании фазы L2. Читал про устройства автоматического ввода резервного питания, но конкретного ничего не нашел. Кто, что может подсказать, посоветовать? Заранее спасибо! Всё выполнено так как вы просили.... +1, Согласен ребус решен. Но по голове получили. Землю видетели преключили . Пора ставить на поток. Изменено 2014-01-16 14:38:39 пользователем sanek_z Ссылка на сообщение Поделиться на других сайтах
Fanat_non_root 88 Опубликовано: 2014-01-16 14:43:22 Share Опубликовано: 2014-01-16 14:43:22 Всем, кто соберется коммутировать защитный проводник. Хорошо, что в энергетике, подход научного тыка обычно жизни тыкающего стоит, думаю, что если телекомщики займутся энергетикой - выживет треть от силы. Правил мы не читаем, теории не знаем, но зато ребусы(!) решаем. Молодцы, че уж там. Ссылка на сообщение Поделиться на других сайтах
sanek_z 6 Опубликовано: 2014-01-16 14:55:23 Share Опубликовано: 2014-01-16 14:55:23 Всем, кто соберется коммутировать защитный проводник. Хорошо, что в энергетике, подход научного тыка обычно жизни тыкающего стоит, думаю, что если телекомщики займутся энергетикой - выживет треть от силы. Правил мы не читаем, теории не знаем, но зато ребусы(!) решаем. Молодцы, че уж там. Есть доля правды. Но что в этой схеме не правильно ?????????? Устройство комутирует нагрузку так, Что если посадить человека, то он будит делать тоже самое с эл. вилкой и переключать ее в разные резетки. Ссылка на сообщение Поделиться на других сайтах
Рекомендованные сообщения
Создайте аккаунт или войдите в него для комментирования
Вы должны быть пользователем, чтобы оставить комментарий
Создать аккаунт
Зарегистрируйтесь для получения аккаунта. Это просто!
Зарегистрировать аккаунтВойти
Уже зарегистрированы? Войдите здесь.
Войти сейчас