Mess 137 Опубликовано: 2010-07-24 17:13:38 Share Опубликовано: 2010-07-24 17:13:38 Кто какие релюхи юзает? как впечатление? Меньше горит/вешается оборудование? Ссылка на сообщение Поделиться на других сайтах
morfey 82 Опубліковано: 2010-07-28 07:16:15 Share Опубліковано: 2010-07-28 07:16:15 Ми почали ставить, тестить. "бар'єр 4п" . У нього швидкість відключення 0,0011 сек. На блоках медіаконверторів верхня напруга 240В, на деяких районах в нас стабільно 250-260В. В цьому випадку реле не допомага, а навпаки, вирубається через кожні 5 хв)). Але на деяких будинках, де постійно вигорали свічі з блоками допомогло, все стабільно працює. Буває підвисаєколи реле відключає кілька разів підряд напругу. Зате не горить)) Ссылка на сообщение Поделиться на других сайтах
MICROWATT 765 Опубліковано: 2010-07-28 12:08:26 Share Опубліковано: 2010-07-28 12:08:26 Дешевле покропить свичи из пипетки святой водой или отнести их фотографии на заговор к экстрасенсу. Эффект будет приблизительно такой же. Ссылка на сообщение Поделиться на других сайтах
Mess 137 Опубліковано: 2010-07-28 12:13:54 Автор Share Опубліковано: 2010-07-28 12:13:54 Ми почали ставить, тестить. "бар'єр 4п" . У нього швидкість відключення 0,0011 сек. На блоках медіаконверторів верхня напруга 240В, на деяких районах в нас стабільно 250-260В. В цьому випадку реле не допомага, а навпаки, вирубається через кожні 5 хв)). Але на деяких будинках, де постійно вигорали свічі з блоками допомогло, все стабільно працює. Буває підвисаєколи реле відключає кілька разів підряд напругу. Зате не горить)) Это проблему можно решить с помощью настройки тайм-аута. но это в более дорогих. Спасибо за ответ. Ссылка на сообщение Поделиться на других сайтах
_WesT_ 1 016 Опубліковано: 2010-07-28 14:02:33 Share Опубліковано: 2010-07-28 14:02:33 to MICROWATT Дык может Вы уважаемый подскажите толковое решение для защиты по питанию? Может девайс какой разработаете? Я Вас уверяю он будет пользоватся спросом. Потому что я уже задолбался менять конвертора и свичи. Кстати Есть у нас один узел... там мы заюзали такоеже реле + УПС. Пока все гуд. причем что раньше там конвики горели как спички. Ссылка на сообщение Поделиться на других сайтах
MICROWATT 765 Опубліковано: 2010-07-28 15:13:42 Share Опубліковано: 2010-07-28 15:13:42 to MICROWATT Дык может Вы уважаемый подскажите толковое решение для защиты по питанию? Может девайс какой разработаете? Я Вас уверяю он будет пользоватся спросом. Потому что я уже задолбался менять конвертора и свичи. Думали над этим, не раз и подолгу. Всякие реле в принципе не годятся. Электронная же защита эффективна, но достаточно дорога для таких небольших и дешевых устройств, как свичи на 8 портов. Возможно, мы реализуем защиту эту в УПС на 80-100 ватт и выше. Но это еще не скоро и против лома нет приема. Если в сеть с похмелья электрика попадет вместо 220 380, то тут трудно за вменяемые деньги что-то сделать... Сама защита должна быть не дороже защищаемого оборудования и таки должна хоть от чего-то защищать, а не только красиво блымать циферками и таинственно клацать реле внутри. Ссылка на сообщение Поделиться на других сайтах
_WesT_ 1 016 Опубліковано: 2010-07-28 15:33:46 Share Опубліковано: 2010-07-28 15:33:46 Товарищ MICROWATT у меня на одном доме згорело в одни день три конвертора и свич. За один, блин, день! Итого убытка я получил около 1500 грн. (так как конвики пришлось покупать по парам - три пары плюс дешовая мыльница). Я готов платить за хорошую защиту. Так как мне теперь стремно ставить управляемое оборудование, а там цены совсем другие. Вот щас делаю так. ставлю реле и УПС там где управляемое железо стоит. Вроде нормально, не горит. А там где барахло тупое так горят зараза и свичи и конвики. Ну свичи то такое, а вот конвики жалко. Вот только что была гроза 5 конверторов згорели и три свича. Жалко... Может у Вас есть какието идеи пусть и дорогой защиты? может на голосование выставить и Вам будет интересно производить ее? Ссылка на сообщение Поделиться на других сайтах
straus 82 Опубліковано: 2010-07-28 17:27:02 Share Опубліковано: 2010-07-28 17:27:02 Вот только что была гроза 5 конверторов згорели и три свича. Жалко... Главное не путать защиту от грозы (кратковременная высоковольтная наведёнка по линиям связи и линиям питания) с защитами от длительного перенапряжения при неисправностях в электросети (отгоревший ноль, пьяные электрики и т.д.). Полноценная защита будет достаточно дорогая. Но подумаем... Ссылка на сообщение Поделиться на других сайтах
_WesT_ 1 016 Опубліковано: 2010-07-28 17:52:57 Share Опубліковано: 2010-07-28 17:52:57 Я имею ввиду скачки напряжения по питанию. В грозу как раз горят по питанию конвики на высокоэтажных домах. а в нормальною погоду в основном в частном секторе. там питание и без гроз скачет как угорелое. Ссылка на сообщение Поделиться на других сайтах
KaYot 3 737 Опубліковано: 2010-07-28 17:57:37 Share Опубліковано: 2010-07-28 17:57:37 Можно онлайн-УПС на каждую точку ставить. Защита будет отличная, но тогда в половине случаев исчезнет экономически смысл такой сети.. Ссылка на сообщение Поделиться на других сайтах
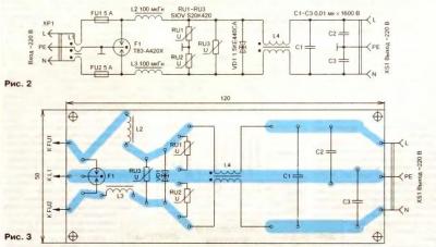
v0van 3 Опубліковано: 2010-07-28 19:33:25 Share Опубліковано: 2010-07-28 19:33:25 Нашел в журнале "Радио" за 6-2010г. схему "Защита источников питания от грозы". Как думаете, от выгорания оборудования - поможет? Ссылка на сообщение Поделиться на других сайтах
MICROWATT 765 Опубліковано: 2010-07-28 21:28:28 Share Опубліковано: 2010-07-28 21:28:28 Нашел в журнале "Радио" за 6-2010г. схему "Защита источников питания от грозы". Как думаете, от выгорания оборудования - поможет? Эта схема должна быть достаточно эффективна от очень коротких всплесков входного напряжения. Впрочем, если посмотреть схему любого грамотно сделанного импульсного источника, то там на входе почти то же. И термистор и специально аттестованные конденсаторы класса Х2 и дифференциальный дроссель. Нет только газоразрядника и сапрессоров на 400 вольт. Впрочем, микросекундные импульсы легко давятся и без газоразрядника, при более длительных он разрушается. Сапрессор на 400 вольт параллельно конденсатору 400 вольт могут ставить только в журнале "Радио". Это вроде свечки в церкви "за здравие свича" помогает. Даже правильно выбранный сапрессор поглощает всего пару джоулей. Накопительный конденсатор их и сам поглощает, пока от 300 до 400 вольт зарядится. Источник же, стоящий далее этого узла, держит 350-370 вольт, не более. Потому, ему, мертвому, сапрессор на 400 вольт уже не в помощь. Нам представляется. что полноценную защиту может обеспечить не проходная схема (в смысле "работающая на проход мощности", без преобразования энергии, а только ограничивающая всплески), а стабилизатор с полным преобразованием и кондиционированием энергии на выходе. В случае чего - сам горит, но нагрузку спасает гарантировано. В большинстве же случаев он должен все короткие перегрузки парировать спокойно. К сожалению, относительно доступные транзисторы на 800 вольт могут опять-таки защитить нас от выбросов не выше 350-360 в сети. Выше - резко растет стоимость. Есть пока над чем подумать.... Ссылка на сообщение Поделиться на других сайтах
mr.Dream 164 Опубліковано: 2010-07-28 21:52:24 Share Опубліковано: 2010-07-28 21:52:24 Товарисч _WesT_, похоже ваши устройства не по питанию горят, а по наводках на абонентских кабелях. Я бы на вашем месте "думал" в ту сторону )) Ссылка на сообщение Поделиться на других сайтах
pavlabor 1 977 Опубліковано: 2010-07-29 05:28:35 Share Опубліковано: 2010-07-29 05:28:35 Нашел в журнале "Радио" за 6-2010г. схему "Защита источников питания от грозы". Как думаете, от выгорания оборудования - поможет? Нормальная схема, более того, довольно прилично оттюнингована. Добавить вместо плавких предохранителей, самовостанавливающиеся и можно делать серийное производство. Мы после прорабатки и испытаний вышли практически на такуюже схему. Ссылка на сообщение Поделиться на других сайтах
_WesT_ 1 016 Опубліковано: 2010-07-29 06:05:59 Share Опубліковано: 2010-07-29 06:05:59 to mr.Dream Спасибо большое за совет. Конечно есть и такое сгоревшее оборудование. Но процент от общего достаточно мал. После ремонта 95% сгоревшего оборудования по питанию. Исходя из этого меня и интересует защита по питанию. Ссылка на сообщение Поделиться на других сайтах
pavlabor 1 977 Опубліковано: 2010-07-29 06:29:37 Share Опубліковано: 2010-07-29 06:29:37 to mr.Dream Спасибо большое за совет. Конечно есть и такое сгоревшее оборудование. Но процент от общего достаточно мал. После ремонта 95% сгоревшего оборудования по питанию. Исходя из этого меня и интересует защита по питанию. По какому питанию? В 95% медиков вообще питание понятие относительное. Подается 5 вольт, и на сам оптический модуль идет прямая шина, один дросель на пути. На чипе комутации стоит понижение до 3.3 и 1.8 вольт. В 95% ремонтируемых конверторах, стабилизаторы не горят, тоесть практика ремонта абсолютно противоположная. Пара советов, так как у медика формирование питания возложено ПОЛНОСТЮ на внешний блок питания. Подходите к выбору блока питания более ответственно. Более того если шнурок длинный, не сматывайте его в катушку, между блоком питания и конвертором. В момент импульса там может наводится довольно сильная наводка, а так как это уже за пределами блока питания, то это плохой подарочек именно медиаконвертору. Ссылка на сообщение Поделиться на других сайтах
_WesT_ 1 016 Опубліковано: 2010-07-29 07:18:14 Share Опубліковано: 2010-07-29 07:18:14 Спасибо за советы. Учту обязательно. Если я правильно понял, то одна из возможных причин говеный блок питания? Извинте, а Вы, как специалист, не могли бы порекомендовать хорошие блоки для конверторов? Ссылка на сообщение Поделиться на других сайтах
MICROWATT 765 Опубліковано: 2010-07-29 10:29:43 Share Опубліковано: 2010-07-29 10:29:43 Добавить вместо плавких предохранителей, самовостанавливающиеся и можно делать серийное производство. Мы после прорабатки и испытаний вышли практически на такуюже схему. А как быстро работает самовосстанавливающийся предохранитель? Что толку в его самовосстановлении, когда уже все за ним сгорело? Предохранитель - противопожарное средство, для спасения уже не аппаратуры, а проводки и помещения. Это не защита. Ссылка на сообщение Поделиться на других сайтах
straus 82 Опубліковано: 2010-07-29 20:58:53 Share Опубліковано: 2010-07-29 20:58:53 Добавить вместо плавких предохранителей, самовостанавливающиеся и можно делать серийное производство. Мы после прорабатки и испытаний вышли практически на такуюже схему. А как быстро работает самовосстанавливающийся предохранитель? Добавлю ещё, что самовосстанавливающиеся предохранители в основном низковольтные, 16-50В. Редко встречаются на 250В, но это всё равно мало, ибо амплитудное в сети 315В и даже больше. А сетевой самовостанавливающийся я видел один раз в жизни в дорогом немецком сетевом адаптере (хотя нафига он там, если уж он сработал - значит трансформатору кранты). Ссылка на сообщение Поделиться на других сайтах
pavlabor 1 977 Опубліковано: 2010-08-05 04:32:53 Share Опубліковано: 2010-08-05 04:32:53 Добавить вместо плавких предохранителей, самовостанавливающиеся и можно делать серийное производство. Мы после прорабатки и испытаний вышли практически на такуюже схему. А как быстро работает самовосстанавливающийся предохранитель? Что толку в его самовосстановлении, когда уже все за ним сгорело? Предохранитель - противопожарное средство, для спасения уже не аппаратуры, а проводки и помещения. Это не защита. Никого не волнует как быстро сработает предохранитель. Волнует как быстро сработает защитный диод, варистор, разрядник. И там ясно написано, диод на 440, разрядник на 420, это значит что первым сработает диод, потом его разгрузит разрядник и когда они сработают, то в районе схемы будет удерживатся напряжение 400 вольт что собственно любому блоку питания побарабану, а когда разрядник выйдет в дугу, то напряжение в районе схемы будет стремится к нулю, вот тут и дойдет очередь до предохранителя. Ссылка на сообщение Поделиться на других сайтах
MICROWATT 765 Опубліковано: 2010-08-05 09:40:00 Share Опубліковано: 2010-08-05 09:40:00 Никого не волнует как быстро сработает предохранитель. Волнует как быстро сработает защитный диод, варистор, разрядник. И там ясно написано, диод на 440, разрядник на 420, это значит что первым сработает диод, потом его разгрузит разрядник и когда они сработают, то в районе схемы будет удерживатся напряжение 400 вольт что собственно любому блоку питания побарабану, а когда разрядник выйдет в дугу, то напряжение в районе схемы будет стремится к нулю, вот тут и дойдет очередь до предохранителя. У Вас очень оригинальное представление о схемотехнике блоков питания. Да, для диода ясно написано - 440вольт. Но для конденсатора фильтра не менее ясно напрсано - 400, читай -350 максимум. А уж ключ в источнике... ну 440 вольт точно не удержит. Достаточно посмотреть схему и даташит любого обратноходовика. Короче, до предохранителя очередь дойдет, когда уже все по электронной части выгорит. Ссылка на сообщение Поделиться на других сайтах
pavlabor 1 977 Опубліковано: 2010-08-05 12:41:17 Share Опубліковано: 2010-08-05 12:41:17 Сер. У вас параноя! Ссылка на сообщение Поделиться на других сайтах
MICROWATT 765 Опубліковано: 2010-08-05 15:19:51 Share Опубліковано: 2010-08-05 15:19:51 Сер. У вас параноя! Может быть.. А по технике есть доводы? Ссылка на сообщение Поделиться на других сайтах
alex_o 1 194 Опубліковано: 2010-08-05 15:57:12 Share Опубліковано: 2010-08-05 15:57:12 Ребята! Вы же оба два имеете возможность собрать тестовый стенд - генератор напруги на 1-2КВ. Сунуть в него проектную схему защиты и получить результат - защищает ли защита, что выгорает/выживает и т.п. Чего тут на форуме пиписьками понапрасну меряться? Ссылка на сообщение Поделиться на других сайтах
Рекомендованные сообщения
Создайте аккаунт или войдите в него для комментирования
Вы должны быть пользователем, чтобы оставить комментарий
Создать аккаунт
Зарегистрируйтесь для получения аккаунта. Это просто!
Зарегистрировать аккаунтВхід
Уже зарегистрированы? Войдите здесь.
Войти сейчас